小黄片污视频描述
| Socketweld Boss Specification: | ||||||||||
| Size/尺寸 | 1/8″~4″ (DN6~DN100) | |||||||||
| Class/壓力等級 | 3000 LBS, 6000 LBS, 9000 LBS | |||||||||
| Type/連接形式 | Sockeweld,承插焊、Threaded,螺紋 | |||||||||
| Surface Treatment/表麵處理 | Hot Dipped Galvanizing, Epoxy & FBE Coating, Electro Polish, Sand Blasting, Soldering熱浸鍍鋅,環氧樹脂和FBE塗層,電拋光,噴砂,發黑 | |||||||||
| Materal/材質 | Stainless Steel, Alloy Steel, Duplex, Nickel Alloys, Low temperature Steel, Carbon Steel, Cupro Nickel不鏽鋼、合金鋼、雙相鋼、低溫鋼、碳鋼、鎳基合金 | |||||||||
| Manufacturing process/製造工藝 | Cutting, Heat treatment, Forging, Machining | |||||||||
| 鋸切、熱處理、模鍛、機加工 | ||||||||||
| Manufacturing Standards/製造標準 | BS-3799 | |||||||||
| Socketweld Cap Material Grades: | ||||||||||
| Stainless Steel/不鏽鋼 | ASTM A182 F304, 304L, 316, 316L,310S, 316Ti,317L | |||||||||
| Duplex & Super Duplex Steel/雙相鋼 | ASTM A 182 – F51, F53, F55, S31803, S32205, S32550, S31254, SMO254, S32750, S32760, S32950. | |||||||||
| Carbon Steel/碳鋼 | ASTM/ ASME A 105, ASTM/ ASME A 350 LF 2 | |||||||||
| Alloy Steel/合金鋼 | ASTM / ASME A 182, ASTM / ASME F5, F9, F11,F22, F 91 | |||||||||
| Copper Alloy Steel/銅合金 | Copper Alloy Steel Forged Threaded 90 Deg Elbow : ASTM / ASME SB 111 UNS NO. C 10100 , C 10200 , C 10300 , C 10800 , C 12000, C 12200, C 70600 C 71500, ASTM / ASME SB 466 UNS NO. C 70600 ( CU -NI- 90/10) , C 71500 ( CU -NI- 70/30) | |||||||||
| Nickel Alloy/鎳合金 | ASTM / ASME SB 336, ASTM / ASME SB 564 / 160 / 163 / 472, UNS 2200 (NICKEL 200) , UNS 2201 (NICKEL 201 ) , UNS 4400 (MONEL 400 ) , UNS 8020 ( ALLOY 20 / 20 CB 3 ) , UNS 8825 INCONEL (825) , UNS 6600 (INCONEL 600 ) , UNS 6601 (INCONEL 601) , UNS 6625 (INCONEL 625) , UNS 10276 (HASTELLOY C 276) | |||||||||
| Socketweld Cap Dimesions: | ||||||||||
| Socket Weld Pressure Class | Pipe Schedule | |||||||||
| Class 3000 | S80/XH | |||||||||
| Class 6000 | S160 | |||||||||
| Class 9000 | XXH | |||||||||
![]() |
||||||||||
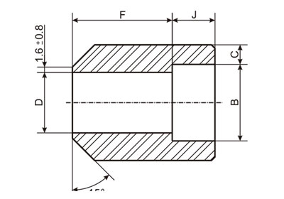
| 半管接頭Boss結構圖 | ||||||||||
| DN | Nom. | B | D | J | F | C | ||||
| Pipe | (Min.) | (Min.) | (Min.) | |||||||
| Size | 3000lb | 6000lb | 3000lb | 6000lb | 3000lb | 6000lb | 3000lb | 6000lb | ||
| 6 | 1/8" | 10.7 | 6.8 | --- | 10 | --- | 28 | --- | 3.2 | --- |
| 8 | 1/4" | 14.1 | 9.2 | --- | 10 | --- | 32 | --- | 3.3 | --- |
| 10 | 3/8" | 17.6 | 12.5 | --- | 11 | --- | 34 | --- | 3.5 | --- |
| 15 | 1/2" | 21.8 | 15.5 | 11.8 | 13 | 13 | 38 | 38 | 4.1 | 5.2 |
| 20 | 3/4" | 27.4 | 21 | 15.5 | 13 | 13 | 38 | 38 | 4.3 | 6.1 |
| 25 | 1" | 34.1 | 26.6 | 20.7 | 16 | 16 | 35 | 35 | 5 | 7 |
| 40 | 1-1/2" | 49 | 40.5 | 34 | 19 | 19 | 32 | 32 | 5.6 | 7.8 |
| 50 | 2" | 61 | 52 | 43 | 22 | 22 | 29 | 29 | 6.1 | 9.5 |
| 65 | 2-1/2" | 73.8 | 62 | 54 | 22 | 22 | 29 | 29 | 7.7 | 10.4 |
| 80 | 3" | 89.7 | 78 | 66 | 22 | 22 | 29 | 29 | 8.3 | 12.2 |
| (1) Dimensions in Millimeters. |
- 聯係電話- 0317-6689999 6165555
- 業務郵箱- 9905791@qq.com
- 公司地址- 河北省滄州市鹽山縣城南工業開發區(中原管道南廠)
- 聯係手機-15530461111(微信同步)-孟經理
- 聯係電話- 0317-6689999 6165555
- 業務郵箱- 9905791@qq.com
- 公司地址- 河北省滄州市鹽山縣城南工業開發區(中原管道南廠)
- 聯係手機-15530461111(微信同步)-孟經理
版權所有:河北小黄片在线播放管道有限公司 冀ICP備65132533號-6

熱線:0317-6165555
9905791@qq.com